Сушильные машины – относительно новый класс бытовых приборов, который позволяет за считанные минуты сушить бельё посредством быстрого испарения влаги. Производители выпускают разные типы таких устройств, которые предполагают некоторые отличия по принципу работы. Что же это за агрегаты и как они работают, разберёмся далее.
Виды сушильных машин
Общий принцип подобных устройств заключается в том, что они ускоряют естественный процесс сушки с помощью потока горячего воздуха. Как именно реализуется данный принцип, завит от конкретного типа агрегата. Условно они делятся на следующие группы:
- Сушильная машина барабанного типа. Её конструкция напоминает стиральную машинку-автомат, а главной деталью, которая выполняет основную работу, является вращающийся барабан. В отличие от стиральной машины, в барабан этого устройства подаётся не вода, а горячий воздух, при помощи которого и сушится белье. За 60 секунд барабан может совершить более 100 оборотов.
- Сушильный шкаф. Габариты такого устройства достаточно масштабные, так как подобная конструкция – это большая камера из металла, которая имеет либо двойной потолок, либо дно с вентилятором и нагревательным элементом. Вентилятор обеспечивает поступление воздушных масс из внешней среды, а нагревательный элемент делает поступивший в шкаф воздух горячим. В отличие от предыдущего типа, данное устройство имеет более простую конструкцию.
- Сушильная машина вытяжного типа. Это простое устройство без теплообменника и контейнера для сбора воды. Через гибкий шланг оно присоединяется к вентиляционной системе дома, куда и поступает вся влага, выделенная в процессе сушки белья.

Как работают сушильные машины барабанного типа?
Они бывают нескольких видов, но имеют схожую конструкцию и принцип работы. Так, разберёмся подробнее, что же в целом представляют собой сушилки барабанного типа.
Устройство конструкции
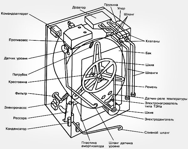
Чтобы разобраться с принципом работы агрегата, предварительно стоит ознакомиться с его конструкцией. Как правило, она состоит из таких элементов:
- панель управления, на которой представлен электронный дисплей, селектор выбора режима сушки, кнопки вспомогательных функций;
- ремень привода, который соединяет мотор с баком;
- сушильный барабан, в котором происходит просушка вещей;
Современные электросушилки предполагают подсветку бака, что позволяет следить за состоянием белья, а также облегчает его загрузку и разгрузку.
- электродвигатель и теплообменник, в котором по двум каналам перемещаются холодные и горячие потоки воздуха, за счёт чего производится охлаждение воздуха и последующее выделение конденсата;
- нагревательный элемент (ТЭН), который нагревает воздушные массы до их попадания в барабан с вещами;
- вентилятор, который захватывает холодные воздушные массы и задаёт им правильное направление после прогрева;
- ёмкость для сбора конденсата, который может располагаться в нижней или верхней части панели, где в стиральных машинах расположен порошкоприёмник (из ёмкости нужно регулярно сливать воду, чтобы новый конденсат не выливался);
- воздухозаборники с ворсовыми фильтрами, впитывающими пыль и частички мусора, которые поступают с воздушными потоками (чистку фильтров нужно производить хотя бы раз в месяц).
Детальная схема агрегата представлена на рисунке:


Внутри барабана
Как правило, барабан сушилки выполняется из нержавеющей стали, а у более современных моделей имеется сотовая структура, которая способствует образованию тонкой воздушной подушки между бельём и стенками барабана. Благодаря этому сушка выполняется очень аккуратно, поэтому даже самые деликатные вещи можно бросать в барабан.
Производители обращают большое внимание и на форму захватов для белья. Это перемешивающие рёбра внутри барабана. Например, в некоторых моделях при сушке они перемещаются по траектории, которая напоминает цифру «8», что способствует бережливой эксплуатации мотора прибора. Имеются модели с периодическим реверсным вращением, однако их мотор подвержен более сильным нагрузкам в процессе работы.
Принцип работы
Сушилки с барабаном работают по такому принципу:
- Воздух проходит через ворсовые фильтры и при помощи вентилятора направляется к той части устройства, в которой расположены нагревательные элементы.
- Воздух нагревается при помощи ТЭНа, а температура нагрева варьируется в пределах от 50 до 70 градусов.
- После нагрева при помощи вентилятора воздух направляется уже в основной элемент сушильной машины – во вращающийся барабан.
- Горячий воздух отбирает влагу из мокрого белья, а после опускается к теплообменнику.
- В теплообменнике устройства воздух избавляется от ненужной влаги и остывает.
- Остывший воздух опять начинает движение к нагревательным элементам и повторяет весь процесс своего «передвижения». Таким образом, происходит непрерывная циркуляция воздушных масс, которая и позволяет белью высушиться.
Описываемый прибор работает от сети и его мощность за один цикл составляет 4 кВт. За весь период сушки белья потребляемая мощность может составлять от 1500 до 2300 Вт в зависимости от модели бытового прибора и его производителя.
Как пользоваться?
Модели сушилок бывают разными, но все они эксплуатируются по такой инструкции:
- Загрузить бельё. Её стоит предварительно отжать в стиральной машинке или вручную. Важно, чтобы объём белья соответствовал вместительности устройства.
- Установить режим. Выбор зависит от материала одежды. К тому же можно установить время просушки и остаточный уровень влажности вещей.
- Завершить цикл. Нужно достать бельё и прогладить его или отправить в шкаф в зависимости от степени влажности.
- Удалить мусор из ворсовых фильтров. Эту процедуру не стоит игнорировать, иначе забитые мусором фильтры не смогут пропускать воздушные массы должным образом, что непременно отразиться на качестве сушки.
- Избавиться от конденсата. Как только цикл сушки завершён, нужно достать ёмкость для конденсата и вылить всю воду. Если система дренажная, то влага самостоятельно поступит в вентиляционную систему, поэтому ничего удалять не требуется.
Повторно загрузить машинку новой партией белья можно после перерыва в 40-60 минут.
Разновидности сушилок барабанного типа
Как было отмечено ранее, сушильные машины барабанного типа, в свою очередь, делятся на несколько основных видов, с каждым из которых можно ознакомиться далее.
Конденсационные
Подобные машинки пользуются наибольшим спросом, так как не требуют особых условий по установке. Это обусловлено тем, что они оснащены специальной ёмкостью, где скапливается влага после просушки. Чтобы машинка работала исправно, эту ёмкость периодически нужно очищать от воды. Лучше всего делать это после каждого цикла сушки.
После загрузки бака, выбора программы сушки и нажатия кнопки «Пуск» на панели управления стартует процесс сушки по такому принципу:
- Воздух в камере нагревается, а барабан параллельно вращается и перемешивает бельё.
- Нагретый до указанной температуры воздух обдувает бельё, под давление чего из него уходит влага.
- Влажный воздух проходит через теплообменник, где охлаждается и лишается влаги.
- В специальном резервуаре накапливается образовавшаяся вода, а охлаждённый воздух вновь нагревается термоэлектрическим нагревателем и вновь обдувает бельё.
Наглядно увидеть принцип работы такой сушилки можно на схеме:


Современные модели подобных сушилок часто оснащаются дополнительной программой «разглаживания паром». В таком режиме перед началом работы в барабане «разбрызгивается» вода, а после мельчайшие капельки образуют небольшое облако. Под воздействием высоких температур оно превращается в пар, который и способствует разглаживанию вещей.
C тепловым насосом
Конструкция такой машины предусматривает наличие охлаждающего контура. Он интенсивно охлаждает воздушный поток, за счёт способствует более быстрому образованию конденсата. Благодаря этому сокращается время, которое необходимо для просушки белья.
Вентиляционные
Подобные машины считаются устаревшими, хотя ещё встречаются в продаже. Они имеют наиболее простую конструкцию сравнительно с другими моделями барабанного типа. Их отличие заключается в том, что они предполагают выход через специальный шланг в вентиляционные ходы. Так, установка такого агрегата требует проведения дополнительных монтажных работ.
Наглядно увидеть принцип работы вентиляционных сушилок можно на схеме:


Как работает сушильный шкаф?
Пространство внутри такой сушилки организовано по такому же принципу, как и в обычном шкафу для хранения одежды. Такой прибор представляет собой довольно большую металлическую камеру с нагревательным элементом, который отвечает за нагревание воздуха, и вентилятором, задающим направление воздушных масс.
Чтобы устройство начало работать, нужно разложить вещи внутрь шкафа по полочкам или развесить их по вешалкам, а после на панели управления выбрать одну из программ и нажать на «Пуск». Далее машина работает в таком порядке:
- Внутри шкафа воздух нагревается под воздействием ТЭНа.
- Вентилятор направляет циркулирующий воздух на вещи, создавая необходимый для сушки обдув.
- Вещи высыхают под воздействием тёплого воздуха, а влага выходит наружу вместе с отработанными воздушными массами. Если сушильный шкаф находится в жилом помещении, стоит либо его проветривать, либо обеспечить вывод влажного воздуха за пределы комнаты.
Типы сушки
Вне зависимости от типа конструкции, сушильные автоматы предполагают три основных типа сушки.
По времени
Наиболее простой тип, согласно которому человек просто устанавливает время сушки, по истечении которого цикл работы завершается. Минус заключается в том, что не всегда удаётся правильно определить время сушки вещей, поэтому они могут остаться влажными или пересушиться.
По степени влажности
В этом случае человек выбирает степень остаточной влажности вещей. В машине встроены датчики, которые определяют влажность воздуха внутри барабана или шкафа и останавливают сушку, когда достигается нужная её степень.
Такой тип предполагает два способа контроля влажности. Первый и самый популярный способ заключается в выборе одного из трех режимов, которые выглядят следующим образом:
- оптимальная влажность для глажки белья «под утюг» (вещи остаются недосушенными);
- сушка в «шкаф» (вещи высыхают практически полностью);
- полностью сухая.
Современные модели могут иметь второй способ контроля влажности, который осуществляется в таком порядке:
- Через вещи пропускается ток.
- Пока вещи влажные, цепь замкнута.
- Когда вещи высыхают, цепь размыкается, а сушка останавливается.
По типу одежды
В этом случае человек выбирает не тип ткани, а вид одежды, которую нужно сушить. Например, это могут быть джинсы, рубашки или верхняя одежка. Стоит отметить, что некоторые современные модели также позволяют выбрать тип ткани. Они имеют большую стоимость, но более практичны, ведь в них можно без каких-либо опасений сушить даже самые деликатные вещи, просто выбрав правильный режим.
Стиральные машины с функцией сушки белья
Принцип работы такой стиральной машинки ничем не отличается от принципа работы сушилки с барабаном. Однако следует учесть, что бельё в таком агрегате придётся сушить в два подхода. Дело в том, что в таких стиральных машинах объём барабана недостаточно большой, поэтому не получится высушить сразу всё постиранное бельё. Так, его нужно будет разделить на две части и произвести две сушки.
Срок эксплуатации стиральной машинки с функцией сушки белья значительно меньше, нежели у приборов по отдельности, а стоимость при этом значительно выше, поэтому имеет смысл рассмотреть возможность приобретения двух разных машин – для стирки белья и для его сушки.
Видео: принцип работы сушильной машины
По какому принципу работают сушильные машины барабанного типа, подробно рассматривается в следующем ролике:
Чтобы значительно сэкономить время сушки вещей, можно обзавестись сушильной машиной. Такие устройства представлены в большом разнообразии, но наибольшей популярностью пользуются конденсационные сушилки барабанного типа. Они легко монтируются, быстро сушат и имеют длительный срок эксплуатации, чем и заслужили высокий спрос на рынке.